Logo
Sie sind hier: Home < Ergänzungen

Ergänzungen zum Buch "Digitale Modellbahn" 

Hinweis

Ersatz für BST50/51/52

Der SMD-Darlington-Transistor BST50 ist z.T. schwer erhältlich.  Als Ersatztyp eignen sich die npn-Typen:

BSP50/BSP52 (Achtung: Gehäuse SOT 223, etwas größer als SOT 89!)
BCV29 (SMD-Code EF) mit UCE0 = 30 V , IC = 500 mA , IC max = 1 A
BCV49 (SMD-Code EG) mit UCE0 = 60 V , IC = 500 mA , IC max = 1 A
PXTA14
(SMD-Code p1N)  mit UCE0 = 30 V , IC = 500 mA , IC max = 1 A

Werden die BST50 durch diese Typen ersetzt (T3 und T4 der Lok-Decoder), sollten statt der pnp-Typen BST60 (T6 und T7) die folgenden Komplementär-Typen eingesetzt werden:

Komplementär zu BSP 52:            BSP62
Komplementär zu BCV 29:           BCV28,
komplementär zu BCV49:             BCV48,
komplementär zu PXTA14:           PXTA64

Zu beachten ist, dass diese Typen für einen Kollektor-Dauerstrom von nur 500 mA (bis maximal 1 A) ausgelegt sind. Für Motoren in H0-Loks wird dieser Wert im allgemeinen ausreichen, für LGB-Loks allerdings möglicherweise nicht. Hier sollte man auf die Transistoren BD677 / BD678 zurückgreifen, die mit ein wenig Geschick auch in Oberflächen-Montage auf die entsprechenden Lötflächen der Decoder-Platinen der Versionen 4a, 5 und 6 gelötet werden können. Die Pin-Reihenfolge der BD677 / BD678 stimmen mit den SMD-Typen im SOT89-Gehäuse überein, die Anschlussdrähte  müssen lediglich ein wenig zusammengedrückt werden. Die Skizze zeigt eine mögliche Anordnung der Transistoren am Beispiel der Decoder-Platine Version 6 für LGB-Loks:

Montageskizze: M51660L auf der Platine V.6


Schwierigkeiten beim Zurücksetzen des Sicherung

 


Leser berichteten von Schwierigkeiten, die Überstrom-Sicherung nach einem Kurzschluss durch Betätigen des Reset-Tasters T zurückzusetzen.
Dieses Fehlverhalten ist darauf zurückzuführen, dass der Transistor T2 durch das Schließen des Reset-Tasters nicht vollständig sperrt und somit eine geringe Spannung am Emitter von T3 anliegt, die unter Umständen verhindert, dass die Sicherung zurückgesetzt wird. Das Problem ist folgendermaßen zu lösen:
  • Wenn Sie eine "walk-around-control" (WAC) mit Reset-Taster einsetzen und die maximale Laststromstärke bei 3 A liegt:
    Ein sicheres Sperren von T2 erreichen Sie dadurch, dass Sie den Reset-Taster T nicht zwischen die Anschlüsse 4 und 1 der Platine schalten, sondern zwischen die Anschlüsse 4 und 6. Der Basiswiderstand R2 sollte in diesem Fall auf 1k8 vergrößert werden, R2 muss eine Belastbarkeit von mindestens 1/4 W aufweisen.

  • Wenn Sie eine WAC mit Reset-Taster einsetzen und die maximale Laststromstärke über 3 A liegt: 
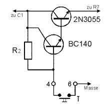
    Benutzen Sie als Schalt-Transistor einen vom Typ 2N3055. Da bei diesem Transistor der Stromverstärkungsfaktor relativ klein ist, ist bei hohen Lastströmen ein relativ hoher Basisstrom zum vollen Durchsteuern nötig. Hier muss der hohe Basisstrom durch einen weiteren Transistor zur Verfügung gestellt werden, z.B. mit der nebenstehenden Schaltung:
Reset-Schaltung mit 2N3055
  • Wenn Sie keine WAC einsetzen wollen oder eine WAC ohne Reset-, bzw. Not-Aus-Schalter:  
    Hier kann T2 durch einen Taster mit Öffner-Funktion ersetzt werden. Der Taster muss natürlich für die hohen Stromstärken geeignet sein.

  • Eine weitere Möglichkeit ist der Einsatz eines Relais statt T2, dessen Ruhekontakte das Unterbrechen des Laststromes ermöglichen. Die Spule des Relais wird von der Versorgungsspannung (C1) gespeist (ca. 30V), das Relais wird durch einen Taster zum Zurücksetzen der Sicherung aktiviert, so dass der Ruhekontakt geöffnet wird.




© Bernd Raschdorf    -   Impressum -- Datenschutz