|
| Sie sind hier: Home < Weichen < Rückmeldung |
Intelligente Weichen-Umstellung und Rückmeldung
Klicken
Sie hier, um diese
Bauanleitungen zum Ausdrucken als pdf-Datei zu
öffnen: Zur Druckversion
Bei der Beschaffung von geätzten Platinen für die Weichen- und Schrankensteuerungen kann Ihnen der Autor vielleicht behilflich sein: Zur Kontaktseite 1. EinzelweichenBei Verwendung von Magnet-Weichenantrieben mit Endabschalter (s.o.!) ist auch eine einfache Rückmeldung der Weichenstellung in das Stellpult möglich, da ja in g-Stellung der Weiche der a-Anschluss und bei a-Stellung der g-Anschluss über die Antriebsspulen mit dem 0-Anschluss verbunden ist. Der LED-Strom für die Rückmeldung (bei 12 V Spannung etwa 10 mA) fließt bei der folgenden Schaltung zwar vollständig und dauerhaft durch die Weichenspule, ein Schaden an der Spulenwicklung ist aber kaum zu befürchten. Die einfache Schaltung:
Für den Anschluss einer Dreiwegweiche mit zwei Antrieben werden normalerweise außer der Masseverbindung mindestens 7 Kabelverbindungen zwischen Stellpult und Anlage nötig, nämlich vier für das Umschalten der Weiche und mindestens drei für die Rückmeldung der Weichenposition zum Stellpult - für das Ein- oder Ausfahrweichenfeld eines mittleren Bahnhofs ein stattlicher Kabelbaum! Die folgende Schaltung kommt mit nur vier Kabelverbindungen zwischen Stellpult und Weiche aus - und das mit "echter" Rückmeldung und ohne dass die für die Herzstückpolarisation benötigten Schaltkontakte herangezogen werden müssen! Für die Rückmeldung ist also kein zusätzliches Kabel zwischen Pult und Weiche erforderlich. Die Rückmeldung funktioniert auch dann, wenn die Weiche von Hand umgestellt wird, die LED signalisieren jederzeit korrekt die Weichenstellung. Zum Funktionieren der Schaltung ist allerdings zwingend erforderlich, dass die Weichenantriebe mit Endabschaltern ausgerüstet sind (s.o.!). Die Schaltung: |

|
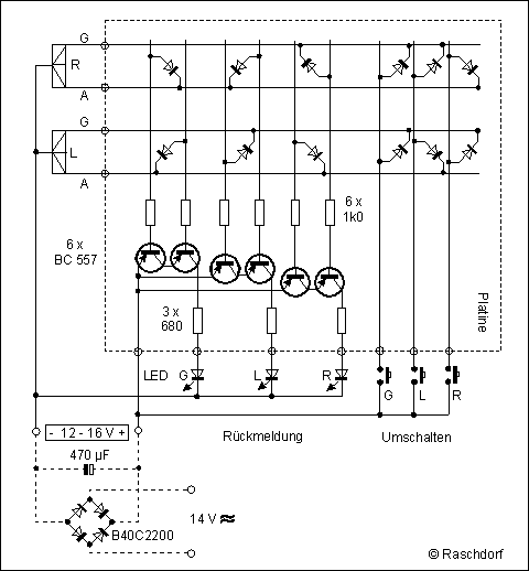
Das Umschalten der Weiche in die Stellung G = geradeaus, R = rechtsabzweigend und L = linksabzweigend wird mittels dreier Drucktaster vorgenommen, über eine Diodenmatrix werden die beiden Doppelspulenantriebe angesteuert (rechter Teil der Schaltung). Der Schaltungsaufwand für die Rückmeldung (linker Teil der Schaltung) ist etwas größer. Hier wird von der Tatsache Gebrauch gemacht, dass bei Weichenantrieben mit Endabschaltung jeweils nur diejenige Spule an die Anschlüsse gelegt ist, die zur Umschaltung der Weichenposition nötig ist, d.h. bei G-Schaltung der A-Anschluss und umgekehrt (G = geradeaus, A=abzweigend). Über den geringen Widerstand der Spule von ca. 20 Ohm sind also bei G-Stellung der A-Anschluss der Doppelspule und entsprechend bei A-Stellung bei G-Anschluss mit dem 0-Anschluss verbunden. Wiederum über eine Diodenmatrix werden einfache NAND-Gatter aus 2 pnp-Transistoren gesetzt, die ihren Zustand über drei LED signalisieren. Auf die Transistoren, die für die L-Anzeige vom A-Anschluss des rechten Antriebs und für die R-Anzeige vom A-Anschluss des linken Antriebs angesteuert werden, könnte sogar nebst zugehöriger Widerstände für die Basisstrombegrenzung und Ansteuerdioden verzichtet werden. Der Nachteil dieser Vereinfachung wäre nur, dass bei der Weichenstellung von Hand in die (unzulässige) A-Stellung beider Antriebe zwei LED leuchten würden. Im Falle der Vereinfachung müssten auf der Platine nur Drahtbrücken anstelle der entsprechenden Transistoren vom Emitter- zum Kollektoranschluss eingelötet werden. Der durch die Antriebsspulen im Ruhezustand fließende Strom verursacht bei weniger als 1mA keinen Schaden an den Antriebsspulen. Die Weichenantriebe und die Schaltung werden an Gleichstrom (12-16V) betrieben, wird der Magnetartikel-Anschluss des Modellbahn-Trafos verwendet (14-16 V Wechselspannung), so ist im einfachsten Fall ein Brückengleichrichter (B40C2200) und ein Elektrolytkondensator von 470 µF zu verwenden. In diesem Falle sollten die Widerstände R2 auf 1k0 heraufgesetzt werden. Gleichrichter und Elko können mehrere Rückmeldeschaltungen versorgen. Besser allerdings ist eine elektronische geregelte Gleichstromquelle, wie sie auf der Seite Gleichstromnetzteil beschrieben wird. |
| Die
Platine: Sämtliche Bauteile (alles billige Standard-Bauteile) finden auf einer kleinen Platine (50x50 mm) Platz, es sind lediglich Taster, Leuchtdioden und natürlich die Weiche anzuschließen. Die Bauteile:
6 pnp-Transistoren BC
557 (T) Der Bestückungsplan: |

|
Foto der bestückten Platine |
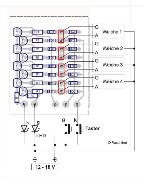
3. Doppelte GleisverbindungBei einer doppelten Gleisverbindung kommen vier Weichen zum Einsatz, wie das folgende Schema zeigt:
Unterscheidet man nur zwei Fahrwege, und zwar in beiden Gleisen geradeaus oder kreuzend (nur bei der Polarisierung der 8 Herzstücke müsste man drei Fahrwege unterscheiden, siehe Herzstückpolarisierung), so sind nur zwei Taster nötig, und zwei LEDs melden im Stellpult die eingestellte Fahrstraße. Beim Fahrweg "geradeaus" müssen alle vier Weichen auf G=gerade gestellt sein, beim Fahrweg "kreuzend" alle vier Weichen auf A=abzweigend. Durch eine einfache Diodenmatrix erreicht man das durch nur jeweils einen Tastendruck. Die Rückmeldeschaltung nutzt auch hier die Tatsache aus, dass bei Weichen mit Endabschaltung in den Endlagen jeweils nur die Spule an die Anschlüsse gelegt ist, die zur Umschaltung der Weiche nötig ist, also ist in G-Stellung der A-Anschluss und in A-Stellung der G-Anschluss mit dem gemeinsamen Minuspol verbunden. Über eine zweite Diodenmatrix und 8 Transistoren (jeweils 4 in "und-Logik" verbunden) werden die beiden LEDs angesteuert. Werden die Weichen nur über die Taster gesteuert, sind sogar für jede LED nur ein Transistor erforderlich (die jeweils drei anderen können dann entfallen, die Emitter- und Kollektoranschlüsse werden in diesem Falle durch Drahtbrücken verbunden). Nur wenn die Weichen "per Hand" umgestellt werden, wird in diesem Falle die Weichenstellung im Stellpult nicht korrekt signalisiert. Der durch die Antriebsspulen im Ruhezustand fließende Strom verursacht bei weniger als 1mA keinen Schaden an den Antriebsspulen. Will man nur eine bequeme Umschaltung der vier Weichen mittels zweier Taster realisieren und möchte auf die Rückmeldung verzichten, so reicht auch der rechte Teil der Schaltung aus, die 8 Dioden 1N4148, die 8 1k0-Widerstände, die 8 Transistoren und die 2 Vorwiderstände für die LEDs entfallen. Die Weichenantriebe und die Schaltung werden an Gleichstrom (12-16V) betrieben, wird der Magnetartikel-Anschluss des Modellbahn-Trafos verwendet (14-16 V Wechselspannung), so ist im einfachsten Fall ein Brückengleichrichter (B40C2200) und ein Elektrolytkondensator von 470 µF zu verwenden. Gleichrichter und Elko können mehrere Rückmeldeschaltungen versorgen. Besser allerdings ist eine elektronische geregelte Gleichstromquelle, wie sie auf der Seite Gleichstromnetzteil beschrieben wird. Die Schaltung: |

Die
Platine:
Die Bauteile:
8 pnp-Transistoren BC
557 (T)* * auf 6 der 8 Transistoren kann sogar verzichtet werden, siehe im Text weiter oben |

|
Die Schaltungen
zur Rückmeldung der
Weichenstellung zum Stellpult benötigen eine Stromversorgung
mit
Gleichstrom. Im einfachsten Fall reicht zur AC/DC-Umwandlung lediglich
ein Brückengleichrichter und ein Ladeelko. Sicherer aber ist
eine
leicht zu bauende elektronisch geregelte Gleichstromquelle, wie sie auf
der Seite Gleichstromnetzteil
beschrieben wird:
|
© Bernd Raschdorf - Impressum -- Datenschutz